
服务热线: 旋风除尘器生产厂家
您的位置: 河北富宇环保设备有限公司 > 粉尘除尘设备 > 旋风除尘器

CLK扩散式旋风除尘器:高效分离工业粉尘的理想之选在工业生产中,粉尘污染是影响环境和员工健康的主要因素之一,CLK扩散式旋风除尘器 作为一种高效的离心式旋风沙克龙除尘设备。
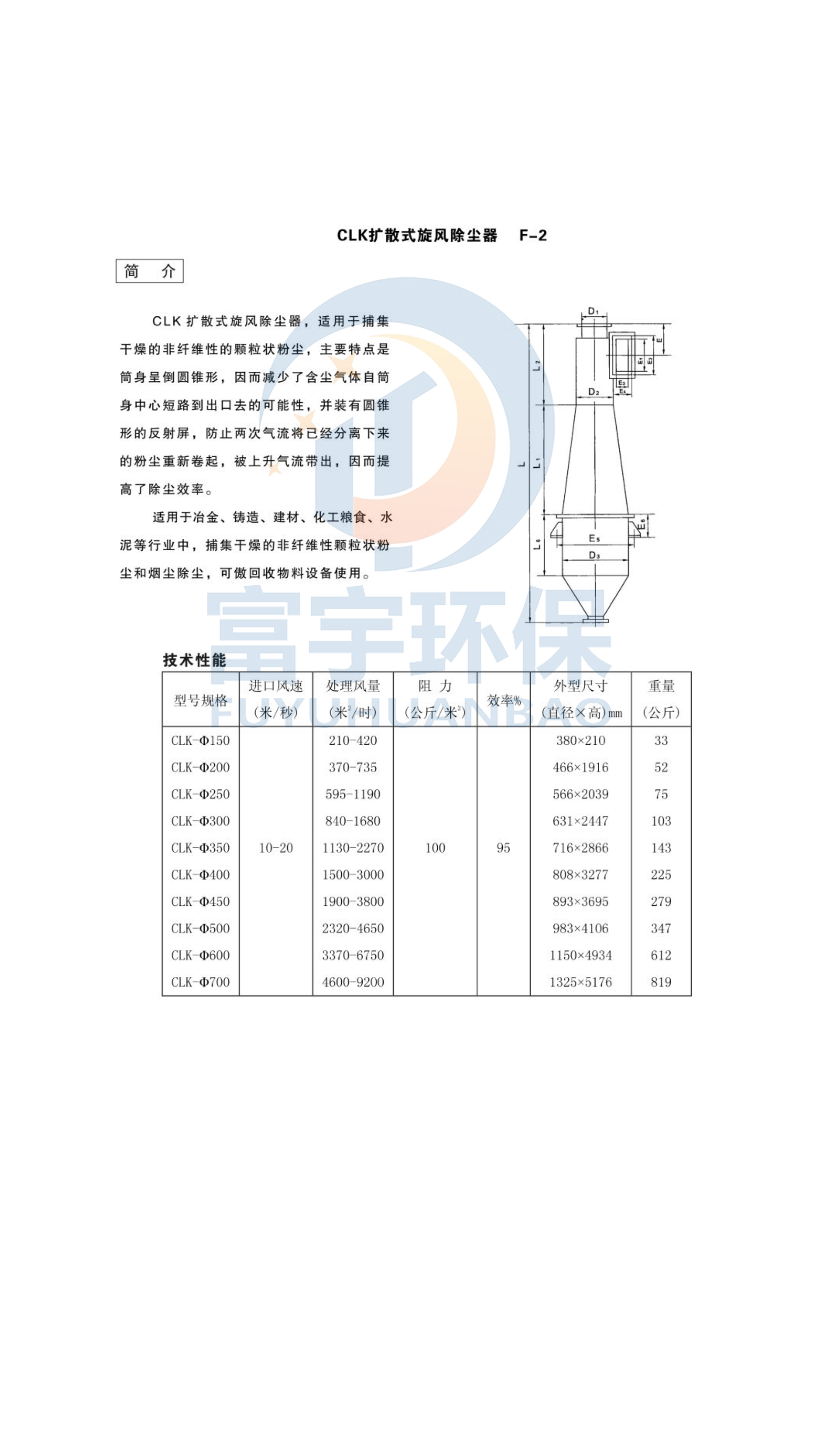
CLK 扩散式旋风除尘器,适用于捕集干燥的非纤维性的颗粒状粉尘,主要特点是筒身呈倒圆锥形,因而减少了含尘气体自筒身中心短路到出口去的可能性,并装有圆锥形的反射屏,防止两次气流将已经分离下来的粉尘重新卷起,被上升气流带出,因而!高了除尘效率。适用于冶金、铸造、建材、化工粮食、水泥等行业中,捕集干燥的非纤维性颗粒状粉尘和烟尘除尘,可傲回收物料设备使用。

CLK扩散式旋风除尘器:高效分离工业粉尘的理想之选
在工业生产中,粉尘污染是影响环境和员工健康的主要因素之一。CLK扩散式旋风除尘器 作为一种高效的离心式除尘设备,凭借其独特的扩散式结构设计和卓越的分离性能,成为冶金、化工、建材等行业粉尘治理的首选设备。
一、工作原理
CLK扩散式旋风除尘器基于离心力分离原理,通过以下步骤实现粉尘与气体的分离:
1. 含尘气体进入:含尘气体由进风口沿切线方向进入除尘器,在筒体内形成高速旋转的气流。
2. 离心力分离:旋转气流产生强大的离心力,将密度大于气体的粉尘颗粒甩向筒壁。这些颗粒在重力作用下,沿筒壁下滑至灰斗。
3. 净化气体排出:净化后的气体在中心轴附近形成上升的内旋流,通过顶部的排气管排出。独特的扩散式结构有效减少了气流的涡流损失,提高了除尘效率。
二、核心优势
1. 分离效率高:对5-10微米以上的粉尘有出色的捕集效果,尤其适用于处理高浓度、粗颗粒粉尘,除尘效率可达90%以上。
2. 结构简单可靠:设备由筒体、锥体、进风口、排气管、灰斗等部分组成,无易损件,运行稳定,维护成本低。
3. 处理风量大:单台设备可处理较大风量,也可多台并联使用,满足不同工况需求。
4. 能耗低:依靠离心力作用分离粉尘,无需额外动力,运行能耗远低于袋式除尘器和电除尘器。
5. 适用范围广:可处理多种工业粉尘,如水泥尘、矿石粉、煤尘、面粉等,且耐高温、耐磨损,适应性强。
三、适用行业与场景
CLK扩散式旋风除尘器广泛应用于以下领域:
• 建材行业:水泥窑、生料磨、水泥磨的粉尘收集
• 冶金行业:高炉煤气除尘、矿石破碎筛分粉尘治理
• 化工行业:化肥生产、塑料加工过程中的粉尘控制
• 电力行业:锅炉烟气预处理、粉煤灰收集
• 粮食加工:面粉、淀粉生产中的粉尘回收
四、安装与维护要点
1. 安装规范:设备应垂直安装,进风口与管道的连接需保证气流顺畅,避免产生涡流。
2. 定期清灰:灰斗需定期清理,可采用手动清灰或机械清灰方式,防止粉尘堵塞。
3. 密封性检查:定期检查设备各连接处的密封性,防止漏风影响除尘效率。
4. 耐磨处理:对于高硬度粉尘,可对筒体内壁进行耐磨涂层处理,延长设备使用寿命。
CLK扩散式旋风除尘器以其高效、节能、可靠的特点,为工业企业提供了经济实用的粉尘治理解决方案,助力企业实现绿色生产和可持续发展。

