
服务热线: 布袋除尘器生产厂家
您的位置: 河北富宇环保设备有限公司 > 粉尘除尘设备 > 布袋除尘器

LHF型系列回转反吹袋式除尘器:工业粉尘治理的高效解决方案在现代工业生产中,粉尘污染不仅是环境治理的重点,更是保障生产安全与员工健康的关键环节。
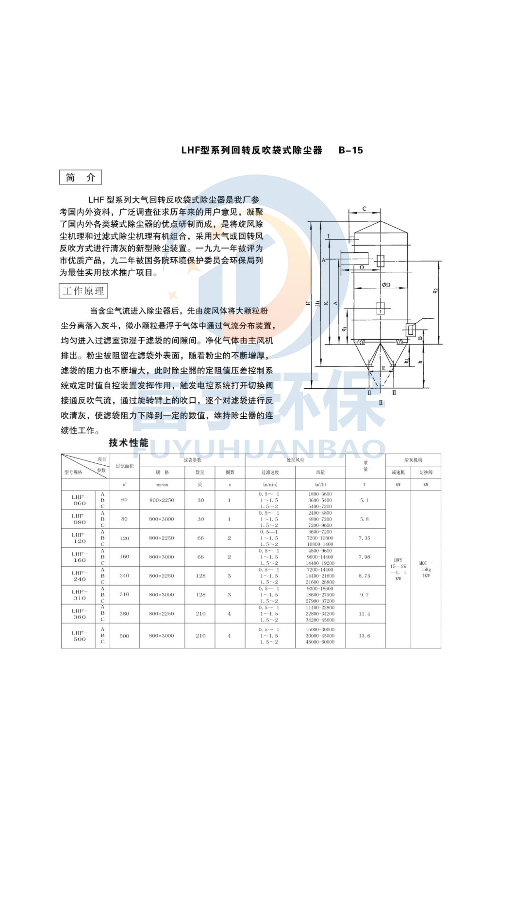
LHF型系列大气回转反吹袋式除尘器是我厂参考G内外资料,广泛调查征求历年来的用户意见,凝聚了G内外各类袋式除尘器的优点研制而成,是将旋风除尘机理和过滤式除尘机理有机组合,采用大气或回转风反吹方式进行清灰的新型除尘装置。
工作原理
当含尘气流进入除尘器后,先由旋风体将大颗粒粉尘分离落入灰斗,微小颗粒悬浮于气体中通过气流分布装置,均匀进入过滤室弥漫于滤袋的间隙间。净化气体由主风机排出。粉尘被阻留在滤袋外表面,随着粉尘的不断增厚,滤袋的阻力也不断增大,此时除尘器的定阻值压差控制系统或定时值自控装置发挥作用,触发电控系统打开切换阀接通反吹气流,通过旋转臂上的吹口,逐个对滤袋进行反吹清灰,使滤袋阻力下降到一定的数值,维持除尘器的连续性工作。


LHF型系列回转反吹袋式除尘器:工业粉尘治理的高效解决方案
在现代工业生产中,粉尘污染不仅是环境治理的重点,更是保障生产安全与员工健康的关键环节。LHF型系列回转反吹袋式除尘器作为一种高效的除尘设备,凭借其独特的结构设计与卓越的性能,已广泛应用于冶金、建材、化工、电力等多个行业,成为企业实现绿色生产的得力助手。
一、工作原理:过滤与清灰的高效协同
LHF型回转反吹袋式除尘器的核心工作原理基于“过滤-清灰-再过滤”的循环过程。含尘气体由进风口进入除尘器,气流速度降低后,大颗粒粉尘在重力作用下直接落入灰斗,起到初步净化作用。细小粉尘随气流上升,被滤袋拦截并附着在滤袋外表面,净化后的气体则通过滤袋进入净气室,最终由出风口排出。
当滤袋表面的粉尘层增厚导致阻力上升到设定值时,清灰系统自动启动。回转反吹机构带动喷嘴旋转,向滤袋内部喷射高压气流,使滤袋产生振动并反向膨胀,将附着的粉尘抖落至灰斗,完成清灰后除尘器继续进入过滤状态。这一过程无需停机,实现了连续稳定运行。
二、结构特点:科学设计提升运行效率
1. 滤袋布置合理:采用圆形滤袋并呈放射状布置,结构紧凑,占地面积小,同时确保气流分布均匀,避免Ju部粉尘堆积。
2. 清灰效果优异:回转反吹清灰方式具有清灰强度大、范围广、能耗低的特点,可有效清除滤袋表面的粉尘层,且对滤袋损伤小,延长滤袋使用寿命。
3. 自动化程度高:配备PLC控制系统,可根据粉尘浓度、阻力变化自动调节清灰周期与风速,实现无人值守,降低人工操作强度。
4. 密封性能可靠:采用优质密封材料与精密的密封结构,有效防止漏风现象,保证除尘效率稳定在99%以上。
三、应用优势:适配多场景的环保需求
1. 高效除尘:对粒径0.1μm以上的粉尘去除效率高达99.5%以上,可满足G家严格的排放标准,助力企业实现超低排放。
2. 适应性强:可处理常温、中温含尘气体,通过特殊设计还能适应高温、高湿、腐蚀性气体,适用于水泥、钢铁、锅炉、垃圾焚烧等复杂工况。
3. 运行稳定:设备故障率低,维护方便,滤袋更换简单快捷,有效降低企业运维成本。
4. 节能降耗:相比传统除尘器,回转反吹清灰方式能耗更低,且设备阻力损失小,可减少引风机的动力消耗,实现节能运行。
随着环保法规的日益严格与企业绿色发展意识的提升,高效可靠的除尘设备成为工业生产不可或缺的组成部分。LHF型系列回转反吹袋式除尘器以其高效的除尘性能、稳定的运行表现与广泛的适用性,为企业解决粉尘污染问题提供了切实可行的方案,是推动工业领域节能减排、实现可持续发展的重要装备。

